每日安全生产网
安全生产与应急管理领域专业网站
搜索
首页
|
专业资料
|
安全视频
|
法规标准
|
知识星球
|
事故调查
|
加入会员
注册
登录
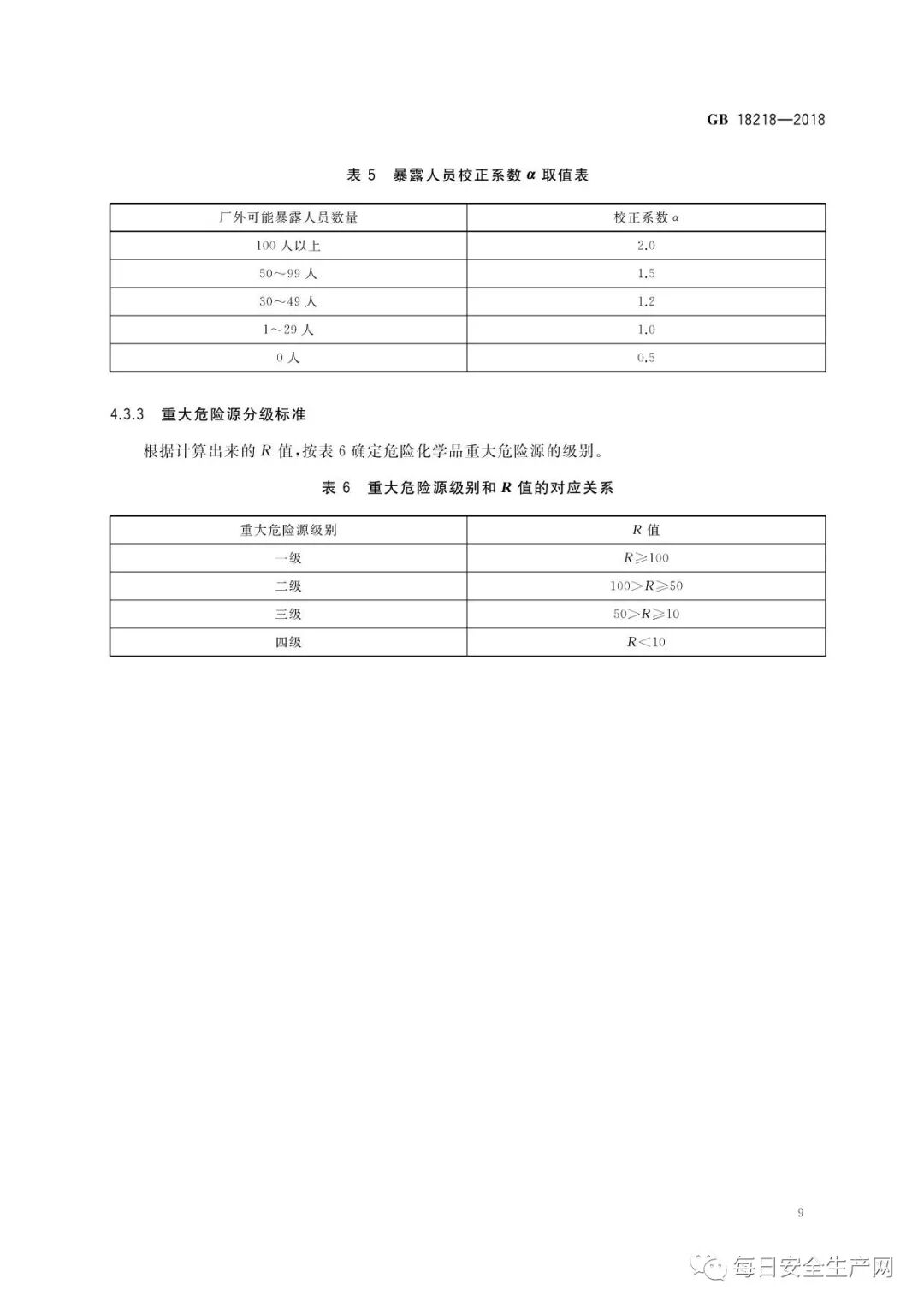
GB 18218-2018 危险化学品重大危险源辨识
2023-08-05 11:55
文件格式:PDF文件
文件下载:
点击下载文件
加入会员:
点击立即加入
昵称:
内容:
提交评论
评论一下
微信公众号
微信客服
扫码咨询